乐清市杰拉华电器有限公司

服务咨询热线:

0577-62602177

产品展示

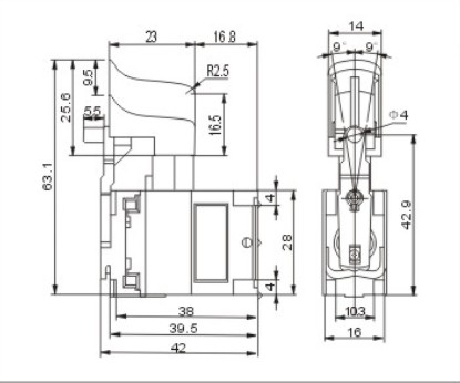
FA021A-0703

 

FA021A-12/1-A7-1/Z1-2

>>订货代号Order NO.FA021A-0703
>>
中档自锁装置 Middle-locking device
>>
直流电子调速Electronic speed control(E)、高速机械导通High speed mechanical breakover 
>>
可选二极管外置 The external FET can be choosed


产品描述Description
>>
正反转换向功能Reversing commutation functionK
>>
带急停装置Emergent stop equipmentB
>>
中档自锁装置 Middle-locking device
>>
直流电子调速The battery hook can be mated(E)、高速机械导通 High speed mechanical breakover 
>>FET
外置 External FET
>>
直流双速DC double speed(2S)
>>
直流单速DC single speedS


技术参数Technical data
>>
电气参数Electric parameter FA021A-12/1
7.2V-24VDC 12A 5E4
>>
机械寿命Mechanical life1E5
>>
电气寿命Electric life5E4
>>
安规认证Approval certificateTUV  UL ENEC

特殊要求Special requests
>>
配带换向推杆The reversing pusher can be matedZA
>>
配带电源插脚The battery hook can be mated  
>>
配带FET散热片FET with thermal fin 
>>
配带正反转支架Reversing stent can be mated
>>
配带电机引出线Motor output line can be mated