乐清市杰拉华电器有限公司
中文
English
服务咨询热线:
0577-62602177
首页
公司简介
公司简介
公司介绍
企业文化
公司环境
产品中心
产品中心
直流开关 DC Charging Type Switch
充电器 Battery Charger
交流开关 AC Tools Switch
微动开关 Micro Switch
船型开关 Rocker Switch
拨动开关 Slide Switch
按钮系列 Rotary Switch
钮子开关 Toggle Switch
转换开关 Rotary Switch
信号灯系列 Single Lamp
荣誉资质
资料下载
产品应用
新闻中心
联系我们
产品展示
当前位置:
首页
产品中心
直流开关 DC Charging Type Switch
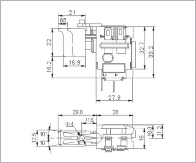
FA024A 一体开关
FA024A-2715
产品参数
FA024A-20/1-A5/Z1
>>订货代号:FA024A-2715
>>直流电子调速(E)、高速机械导通
>>防尘功能
产品描述
>>中档自锁装置
>>防尘功能
>>带急停装置(B)
>>直流电子调速(E)、高速机械导通
>>正反转换向功能(K)
>>FET自散热
>>直流单速(S)
技术参数
>>电气参数:
FA024A-20/1
7.2V-24VDC 20A 5E4
>>机械寿命:1E5
>>电气寿命:5E4
>>安规认证:
上一个:FA024A-2714
下一个:FA024A-2716
返回列表
电话
0577-62602177
微信