乐清市杰拉华电器有限公司

服务咨询热线:

0577-62602177

产品展示

当前位置:首页产品中心微动开关 Micro SwitchJW 系列Series

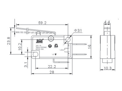
JW1-1215

 


产品描述Description
>>焊接、快插共用端子Solder and insert terminal (4.8×0.6)
>>快插端子Insert terminal (6.3×0.6)
>>NC/NO转换功能conterting function
>>常闭触头contactor(NC)
>>常开触头contactor(NO)
>>可配套驱动压杆Deriving level can be maed(H)
>>可配套操作按钮Operating push-button can be mated(A)

技术参数Technical data
>>电气参数Electric parameter:
  JW1-16
  16(4)A 250~ 5E4
>>开距Clearance > 3mm
>>操作力Operating power ≥ 4N         >>机械寿命Mechanical life:1E5
>>电气寿命Electric life:5E4
>>安规认证Approval certification:
  

特殊要求Special requests
>>电气参数可按Electric parameter can be ordered with1-3A、6A
  10-16A
>>操作力可按Operating power power can be ordered in 1.5-7.5N