|
|
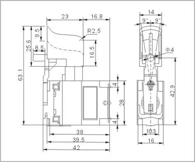
FA021A-12/1-A7-1/Z1-4
>>Order No:FA021A-0704
>>Middle-locking device
>>Electronic speed control(E),High speed mechanical breakover
>>The external FET can de choosed
Product description
>>Reversing switch (K)
>>Emergent stop equipment(B)
>>Middle-locking device
>>Electronic speed control(E),High speed mechanical breakover
>>External FET
>>DC double speed(2S)
>>DC single speed(S)
Technical data
>>Electric parameter:
FA021A-12/1
7.2V-24VDC 12A 5E4
>>Mechanical life:1E5
>>Electric life:5E4
>>Approval Certificate:

Special requests
>>The reversing pusher can be mated
>>The battery hook can be mated.
>>FET with thermal fin
>>Reversing stent can be mated.
>>Motor output line can be mated |
| |
|
| |
|
|
|