|
|
|
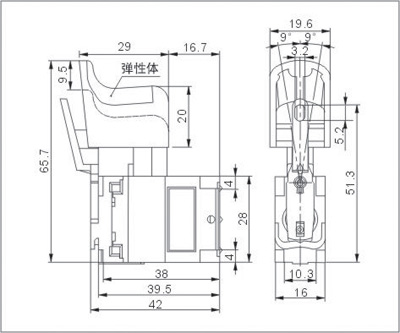
FA021A-12/1-A32/Z6 >>Order No:FA021A-3201 >>Middle-locking device >>Electronic speed control(E),High speed mechanical breakover >>The external FET can de choosed >>Button can prevent skid
Product description >>Reversing switch (K) >>Emergent stop equipment(B) >>Middle-locking device >>Electronic speed control(E),High speed mechanical breakover >>External FET >>DC double speed(2S) >>DC single speed(S)
Technical data >>Electric parameter: FA021A-12/1 7.2V-24VDC 12A 5E4 >>Mechanical life:1E5 >>Electric life:5E4 >>Approval Certificate:

Special requests >>The reversing pusher can be mated >>The battery hook can be mated. >>FET with thermal fin >>Reversing stent can be mated. >>Motor output line can be mated |
| | |
| |
|
|
| |